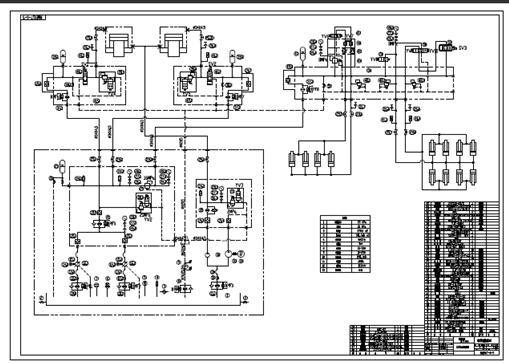
轧机AGC液压高压系统(高压站)
AGC系统原理
|

①、油箱和液压配管均采用不锈钢材料,并设有独立的循环过滤冷却装置,对油箱中的油液进行循环过滤冷却。此外,主油路上还设有高精度过滤器,为防止泵站到控制阀站的管路脏物进入系统,在控制阀站上设有二次高精度过滤器,保证系统油液的清洁,提高了系统工作的可靠性;
②、采用电磁溢流阀与泵的连锁控制,实现了泵的空载启动,提高了泵的使用寿命;
③、液压系统采用蓄能器与恒压变量泵,节省了能源,减少了系统发热;
④、为保护机械设备和液压元器件,系统中设置了完备的超压保护环节;
⑤、系统采用高动态性能的电液伺服阀,提高了系统的响应特性;
⑥、油缸的位移传感器采用内置式,系美国MTS产品;
⑦、伺服阀使用AMC系列产品;
⑧、恒压变量柱塞泵为国产邵阳系列产品;
⑨、压力传感器采用中美麦克产品;
⑩、电磁阀、溢流阀、过滤器等元器件均为华德、泰克国产优质产品。

中文版
English
官方微信














阿里巴巴店铺